Skip to main content

Keypad – Wired (Discontinued)

After wiring your keypad, check that it’s operational by entering the 4 digit factory code 2580.

If you have double gates you will need to follow the setup noted below for ‘Setting a delay time’.

Once gate/s are working with the factory code you can then move onto changing your master code and entering a new pin codes. You can enter over 100 pin codes.

Explaining the 3 digit user code and 4 digit pin code – When entering a new pin code you will be asked to enter in a 3 digit user code along with your 4 digit pin code. If having more than 1 pin code, the 3 digit user code must be different for each 4 digit pin code entered. The 3 digit user code is important to take note of as this is what you will need to remember if and when you need to remove your 4 digit pin code assigned to it. (eg. user code 147 & pin code 3698).

We only recommend changine the factory master code (1234) to a secure code which you must make note of if you require extra security. Failing to make note of your new master code will prevent you from being able to add or delete pin codes in the future.

How to enter a new pin code

  1. Press # (until the red light comes on)
  2. Enter in your 4 digit master code (factory 1 2 3 4)
  3. Press 7
  4. Enter 3 digit user code
  5. Enter 4 digit pin code
  6. Press and hold #
  7. Now test your pin code

How to change your master code

  1. Press # (until the red light comes on)
  2. Enter in your 4 digit master code 1 2 3 4
  3. Press 3
  4. Enter your new 4 digit master code

We only recommend doing this if you require the extra security. Be sure to keep this code.

Removing a pin code

  1. Press # (until the red light comes on)
  2. Enter in your 4 digit master code (factory 1 2 3 4)
  3. Press 8
  4. Enter 3 digit user code
  5. Enter in your 4 digit master code (factory 1 2 3 4)
  6. Press #

Set a delay time

This may be required for double gates if the are not opening together

  1. Press # (until the red light comes on)
  2. Enter in your 4 digit master code (factory 1 2 3 4)
  3. Press 6 000 1

Reset to Factory Default

  1. Press # (untill the red light comes on)
  2. Enter in your 4 digit master code (factory 1 2 3 4)
  3. Press 0 (both red lights flash)
  4. Enter in your 4 digit master code (factory 1 2 3 4)

This function comes in handy when you don’t know the 3 digit user code to “remove a pin code”, however using the factory reset will wipe all user codes and pin codes from the keypad and sets it back to 2580. When you enter your new pin code it will wipe the factory setting 2580

Back Light

When pressing #, wait till red LED light comes on

  1. Light off Press – # (master code) 6 2800
  2. Light on Press – # (master code) 6 2801
  3. Light on when pincode pressed only – press # (master code) 6 2802

How to enter in a new pin code on your Keypad

Wiring Diagrams

Current models

DACE Ultima
Control Board

E8 – EGA Swing
Control Board

Discontinued models

E8 – D1 Swing
Control Board

DACE Sprint/Condo
Control Board

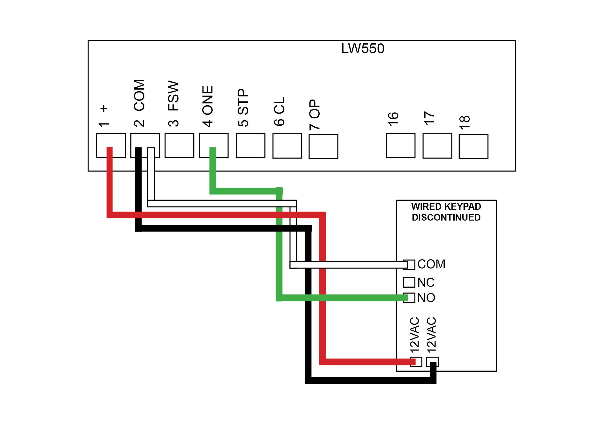
AC LW550
Control Board